



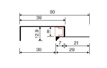
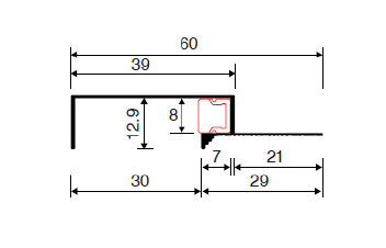
Гипсэн хавтанд ашиглах зориулалттай ам дарагч
Сайжруулсан хөнгөн цагаан материал учраас амархан муудаж, гэмтэхгүй
Гүйцэтгэл хялбар
Гэрэл жигд зөв өнцгөөр тусдаг
Маш чамин, цэвэрхэн харагддаг
Бэлэн өнгө: Матте хар
Зориулалтын ам дарагч материалыг зөв ашигласнаар гүйцэтгэлийн алдааг засч, харагдах байдлыг сайжруулж, ашигласан материалын үнэ цэнийг илүү тодотгож өгнө.